建筑问答网A125.com > 建筑施工 > 施工技术 > 提问

剪力墙暗梁是否为必须设置? 是否,设置,看到

未解决  --    --  11个回答  次浏览0
分享微信 发送朋友 打印
提问人:81104 - 泥土工 2级  举报  

看到我们的天工网会员群有人问这个问题,我也同问,想知道答案。

86造价网永远以提供国内外最新、最好、最快的造价专业资讯为目标

问题:剪力墙暗梁是否为务必设置?挂了个设计院的德律风,结构的说图纸没有要求可以不设,我郁闷了,看到好多梁直接锚在剪力墙里面……好难受。造价行业最大的互动问答知识信息交流分享平台,凝聚了 造价行业网友的智慧

回答即可得20分,回答被采纳则获得悬赏分以及奖励50分。 积分规则
参考资料:
如果您的回答是从其他地方引用,请表明出处网址。
共 11 条 普通回答
楼层: 1
回答人:72263 - 泥土工 2级 - 提交时间:2022/4/5 19:13:00  举报
剪力墙上部是否都设暗梁的探讨(看到网站的文章)

关于剪力墙是否需设暗梁,我认为在框剪、框架中是必须设置的。

主要依据如下:

《建筑抗震设计规范GB 50011-2001》 P59页

6.5.1 抗震墙的厚度不应小于160mm且不应小于层高的1/20,底部加强部位的抗震墙厚度不应小于200mm且不应小于层高的1/16 ,抗震墙的周边应设置梁(或暗梁)和端柱组成的边框;端柱截面宜与同层框架柱相同,并应满足本章第6.3节对框架柱的要求;抗震墙底部加强部位的端柱和紧靠抗震墙洞口的端柱宜按柱箍筋加密区的要求沿全高加密箍筋。


《高层建筑混凝土结构技术规程JGJ3-2002 》   P83页

8.2.2 带边框剪力墙的构造应符合下列要求:

1、带边框剪力墙的截面厚度应符合下列规定:

1)抗震设计时,一、二级剪力墙的底部加强部位均不应小于200mm,且不应小于层高的1/16 ; 

2)除第1项以外的其他情况下不应小于160mm,且不应小于层高的1/20;

3)当剪力墙截面厚度不满足本款第1、2项的要求时,应按本规程附录D计

算墙体稳定。 

   2、剪力墙的水平钢筋应全部锚入边框柱内,锚固长度不应小于La (非抗震设计)或LaE(抗震设计); 

   3 、带边框剪力墙的混凝土强度等级宜与边框柱相同; 

   4、与剪力墙重合的框架梁可保留,亦可做成宽度与墙厚相同的暗梁,暗梁截面高度可取墙厚的2倍或与该片框架梁截面等高,暗梁的配筋可按构造配置且应符合一般框架梁相应抗震等级的最小配筋要求; 

5 、剪力墙截面宜按工字形设计,其端部的纵向受力钢筋应配置在边框柱截面内;

 6、边框柱截面宜与该榀框架其他柱的截面相同,边框柱应符合本规程第6章有关框架柱构造配筋规定;剪力墙底部加强部位边框柱的箍筋宜沿全高加密;当带边框剪力墙上的洞口紧邻边框柱时,边框柱的箍筋宜沿全高加密。


《混凝土结构设计规范GB50010-2002》   P197页

11.7.17 框架-剪力墙结构中的剪力墙应符合下列构造要求:

     1、剪力墙周边应设置端柱和梁作为边框,端柱截面尺寸宜于同层框架柱相同,且应满足框架柱的要求;当墙周边仅有柱而无梁时,应设暗梁,其高度可取2倍强厚;

      2、剪力墙开洞时,应在洞口两侧配置边缘构件,且洞口上、下边缘宜配置构造纵向钢筋。


《民用建筑工程结构施工图设计深度样图》-04G103     p11页:

    10.7.1剪力墙水平钢筋、竖向钢筋构造见国标03G101-1《混凝土结构施工图平面整体表示法制图规则和构造详图》及本工程剪力墙详图。
    10.7.2   剪力墙洞口连梁的构造要求详见连梁详图。
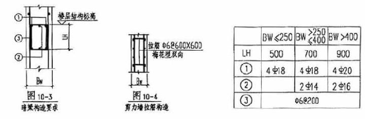
   10.7.3   凡是剪力墙未设边框梁时,在结构楼层标高的剪力墙内都应按下图设置暗梁,见图10-3,剪力墙内应按图10-4设置双向拉筋。

《型钢混凝土组合结构技术规程》   JCJ 138—2001    P38页

8.2.3           周边有型钢混凝土柱和梁的现浇钢筋混凝土剪力墙,剪力墙的水平分布钢筋应绕过或穿过周边柱型钢,且应满足钢筋锚固长度的要求;当采用间隔穿过时,宜另加补强钢筋。周边柱的型钢、纵向钢筋、箍筋配置应符合型钢混凝土柱的设计要求,周边梁可采用型钢混凝土梁或钢筋混凝土梁;当不设周边梁时,应设置钢筋混凝土暗梁,暗梁的高度可取2倍墙厚。


楼层: 2
回答人:03367109 - 泥土工 2级 - 提交时间:2022/4/5 22:17:00  举报
接4楼答案

原理上讲纯剪力墙结构的中间层可以不设暗梁,

在纯剪力墙结构,轴力在墙里面是均匀分布的,那么两边缘构件直接则无需大的拉结。除了屋面有暗梁之外,其它部位可以不设置暗梁。如加暗梁是不经济的。

依据:《简明高层钢筋混凝土结构设计手册》(第二版)李国胜著,在第287页:

第5点、框剪结构的剪力墙要求带有边框,在楼层应设置明梁和暗梁(见第8章)。剪力墙结构的墙体在楼层处可以不设置通长加强水平钢筋,更没有必要即设加强水平钢筋又加箍筋形成楼层圈梁。

墙体在内墙十字交接处,按受力及构造均可以不设置纵向加强钢筋和箍筋,在此处纵横墙的水平分布钢筋拉通,竖向分布钢筋可从各自从相邻墙边起布置。

第5点已说明纯剪力墙结构的中间层不必设置暗梁。李国胜毕竟是《高层钢筋混凝土结构技术规程》的编写者之一,应有一定的参考性。

原里上讲纯剪力墙结构的中间层虽然可以不设暗梁,但许多设计还是很保守,在纯剪力墙的地下室挡土墙到正负零封顶处;楼梯每层剪力墙顶部;电梯井每层楼层剪力墙顶部等加设暗梁。
楼层: 3
回答人:77051 - 泥土工 2级 - 提交时间:2022/4/6 1:45:00  举报
剪力墙不一定设暗梁,剪力墙在平面内刚度非常大,如果受力方向在平面内,则剪力墙本身可以承担。如果受力方向在剪力墙平面外,则必须设置暗梁。比如你在一片墙上布置了一道梁用以承担上部荷载,则在梁搭接在墙处必须设暗梁。另外,在剪力墙的2端必须设置边缘构件,具体参照高规7.2.14以及11G101-1图集
楼层: 4
回答人:13456423 - 泥土工 2级 - 提交时间:2022/4/6 9:13:00  举报
不是必须设的,规范好像没这个要求。
楼层: 5
回答人:50819359 - 泥土工 2级 - 提交时间:2022/4/6 18:33:00  举报
墙有墙的受力,梁有梁的受力,不一样的。只要设计要求的暗梁,就要按设计要求施工。
楼层: 6
回答人:75052 - 泥土工 2级 - 提交时间:2022/4/6 23:05:00  举报
纯剪力墙不设暗梁,框剪要求设置
楼层: 7
回答人:19397800 - 泥土工 2级 - 提交时间:2022/4/7 4:33:00  举报
在与框架梁同设的情况下,可以通知设计部门取消暗梁,如有支座考虑的,其暗梁、暗柱、暗撑必设(施工经验)
楼层: 8
回答人:50471470 - 泥土工 2级 - 提交时间:2022/4/7 13:38:00  举报
暗梁不是梁,是剪力墙中的加强带
楼层: 9
回答人:94927503 - 泥土工 2级 - 提交时间:2022/4/7 17:43:00  举报

4楼+6楼,说的很清楚了。

说点实例:类似的框架剪力墙结构的高层住宅,福建某院的暗梁配4-22,南昌某院配4-16,重庆某院不配,都是6度设防。

 

楼层: 10
回答人:82206672 - 泥土工 2级 - 提交时间:2022/4/8 1:29:00  举报
不是必须设的,规范好像没这个要求。
楼层: 11
回答人:67529454 - 泥土工 2级 - 提交时间:2022/4/8 11:22:00  举报

按图纸施工,有就做,没有就不做