问答首页
我要提问
问题分类
更多
▼
专题
专业机构
专家团
排行榜
共享资料
积分商城
帮助
由于浏览器不支持或者禁用JavaScript,您可能不能使用到本网站的所有功能。
按地区找问题
--请选择--
北京
天津
河北
山西
内蒙古
辽宁
吉林
黑龙江
上海
江苏
浙江
安徽
福建
江西
山东
河南
湖北
湖南
广东
广西
海南
四川
贵州
云南
西藏
重庆
陕西
甘肃
青海
宁夏
新疆
其他
建筑问答网A125.com
>
建筑施工
>
施工技术
> 提问
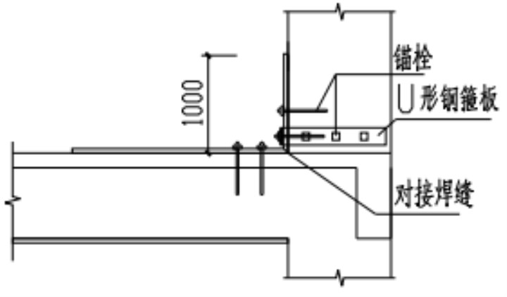
图中的锚栓锚固长度怎么确定?
锚栓
,
长度
,
怎么
未解决 --
-- 1个回答
次浏览
0
分享微信
发送朋友
打印
75839
提问人:
75839
-
泥土工 2级
举报
图一中的锚栓锚固长度怎么确定?
问题补充
提高悬赏
无满意答案
管理此问题
我来回答
回答即可得20分,回答被采纳则获得悬赏分以及奖励50分。
积分规则
参考资料:
如果您的回答是从其他地方引用,请表明出处网址。
共 1 条
普通回答
76238990
楼层: 1
回答人:
76238990
-
泥土工 2级
- 提交时间:
2015/3/21 8:57:00
举报
锚栓
锚固长度可以参照11g101-1中53页的锚固长度。也可以根据
04G362图集中的受力分析,埋件规格选择锚固长度。
我来回答
本站公告
相关问题
基础图怎么看?
CFG桩的空桩指的是什么?具体是指哪个长度?要有依据的文字东西。?
这个梁配筋怎么看?
天正怎么进行坐标标注?
在cad里怎么进行排版?
不伸入支座的梁下部纵筋的长度问题?
T梁纵坡为26‰,制梁台座怎么设置?
钢筋问题?
住宅工程分户验收观感质量检查验收表怎么写问题记录?
墙面上安装3MM不锈钢喷砂板,600*600的不知道怎么固定?
对于框架柱露筋和蜂窝怎么防治
怎么看出过期的标样、拆模、同条件?
地下停车场经常有水怎么处理?
怎么计量混凝土车里的方量?
混凝土施工怎么可以避免甲方不满,保证质量?