一、事故表面
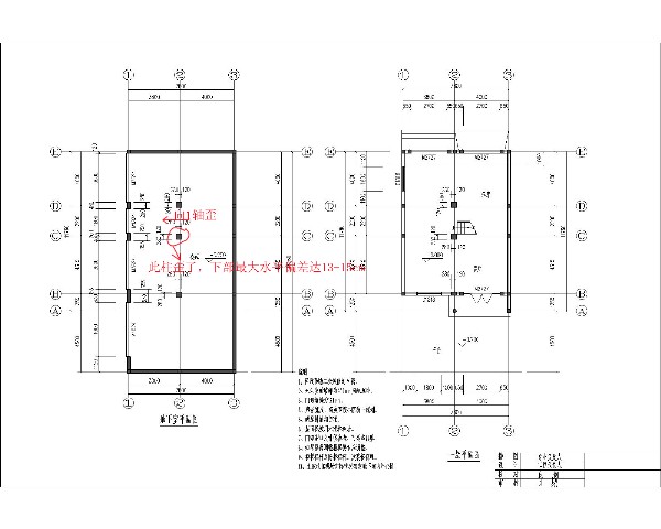
我帮朋友私人设计的半地下一层,地上三层加阁楼。半地下室在施工中由于支模不牢,混凝土浇筑时,地下室墙体胀模严重,推挤柱模,使已浇筑混凝土的柱孕育产生偏斜,并造成柱纵向钢筋弯曲错位,下部最洪流平偏差达13-15cm,对结构强度孕育产生严重危害,该柱为主要受力构件,影响结构安定。发觉上述问题以及认识到其严重性,现结构已经浇筑完成,考虑到返工重做损失太大,接纳加固处理,已凿开的柱如下图所示,并且柱上部差加密箍筋。柱歪了如何加固处理?




砼浇完后朋友发觉柱歪了,找我到现场看怎样处理。私人建房不易,考虑到返工重做损失太大,确定接纳加固处理。柱砼凿开就是为了了解钢筋变形情况等方便加固。
二、加固方案
三、加固处理注意事项
1、需要加固的柱连接的纵、横梁用支撑顶柱,不得破除支撑。
2、凿除混凝土守卫层只准用小锤、小钢錾轻凿,以免破坏柱内混凝土结构。造价行业最大的互动问答知识信息交流分享平台,凝聚了 造价行业网友的智慧
3、钢筋按加固方案焊接后,严格检查钢筋品种、规格、尺寸及焊接间距与尺寸。
4、清洗凿开的混凝土,并保存湿润24小时以上,以利于新旧混凝土的结合良好。
5、为了方便混凝土浇筑振捣和包管质量,模板每次支80-90cm高,混凝土浇筑完成后,接着支上一节模板,如此往复进行,直至全部浇筑完成。
6、C35细石混凝土掺JM-VⅢ减水剂,坍落度8-10cm,接纳人工振捣,并用木锤敲击和振动棒振捣模板,以振实混凝土。
7、在混凝土浇完后24小时方可拆模。拆模后立即用草袋(或麻包)将柱包裹,并浇水养护7天以上。
虽然此工程已竣工1年多,早就做好了,我在此只是为了交流学习,看看有没有什么更好、更省事、更省钱的方案。大众有什么好的加固方案尽管说出来。因主家做生意工程无人监管,实际上该工程加固了两次,还有一次是:[工程在装饰阶段,施工室外下水道时挖出半地下室在施工中由于支模不牢,混凝土浇筑时,地下室墙胀模严重,推挤柱模,使已浇筑混凝土的柱孕育产生偏斜,并造成柱纵向钢筋弯曲错位,1轴上交B轴、C轴Z5与Z6根部最洪流平偏差达10cm,影响结构安定。施工中用土回填笼盖未能及时发觉和纠正,现结构已经全部完成,考虑到返工重做损失实在是太大,确定接纳加固处理。]
加固补强就是从安定、经济、包管使用效用、方便施工去做,就是柱者砸了,重浇砼也不需要700-800的截面。

闽公网安备 35012102500499号