建筑问答网A125.com > 专业造价 > 市政工程 > 提问

管线敷设问题 图纸,宽度,需要

已解决  --    --  0个回答  次浏览0
分享微信 发送朋友 打印
提问人:62766943 - 泥土工 2级  举报  
在图纸上遇到这样的问题:8根管子同时敷设在一个沟内,管径为2*(D108*4)、2*(D57*3.5)、2*(D76*3)、DN32、DN50,图纸上没有给出沟的宽度,请问凭据以上的信息能知道沟底的宽度吗,D108*4是114mm还是需要再加上保温层的厚度?还有在敷设管道的时候支架的数量及重量如何计算呀,因为同一条管线的管径不一样支架的距离和数量如何确定?外网供热管线不是直接埋设在地沟内的吗还需要支架吗?如果需要放在什么位置?我是新人!谢谢列位!
最佳答案
楼层: 1
回答人:58530992 - 泥土工 2级 - 提交时间:2014/3/5 20:15:00  举报

1、图纸上没有给出沟的宽度,凭据以上的信息不克知道沟底的宽度;

2、D108*4是108mm还是需要再加上保温层的厚度;

3、敷设管道的时候支架的数量及重量要看图纸设计所选图集,不然计算没有依据;

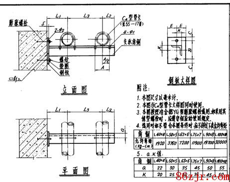
4、外网供热管线在地沟内的需要支架

;可以参看S161或03S402 ,如截图,可以在管沟内设置几层;


我要评论 好评次数 0   坏评次数 0
对最佳答案的评论

评论字数在200 字以内
  好评 坏评